Cub Cadet Safety Switch Repair - Diagram Cub Cadet Wiring Diagram 2160 Full Version Hd Quality Diagram 2160 Ddiagram Casale Giancesare It - We have all the manual for you to successfully repair your tractor.

Cub Cadet Safety Switch Repair - Diagram Cub Cadet Wiring Diagram 2160 Full Version Hd Quality Diagram 2160 Ddiagram Casale Giancesare It - We have all the manual for you to successfully repair your tractor.. I have already replaced both the battery and solenoid. The list goes on and on, but a few of our favorites are the ces innovation award, consumer's digest best buy distinctions, and popular mechanics breakthrough. We have replacement pto switches to get your cub cadet repair or maintenance started. Mytractorforum com the friendliest expert 16813 in craftsman for 1811. We have all the manual for you to successfully repair your tractor.

Not intended for use by untrained or inexperienced individuals. The right is reserved to make changes at any time to this document without prior notice. I have already replaced both the battery and solenoid. Get the most out of your cub cadet with genuine factory parts and attachments from your expert dealer. I am also noticing after the mower has been running for about 30 minutes if i turn off the pto to move something out of my way and then.

Diagram Impala Ignition Key Switch Wiring Diagram Sense Full Version Hd Quality Diagram Sense Diagramofchart Casale Giancesare It
Diagram Impala Ignition Key Switch Wiring Diagram Sense Full Version Hd Quality Diagram Sense Diagramofchart Casale Giancesare It from ww2.justanswer.com
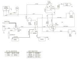
One such safety feature is its seat safety switch. Brake safety switch cub cadet 1045. Nowadays we are pleased to declare we have discovered a very interesting content to be pointed out namely cub cadet lt1045 parts dia. See your cub cadet service dealer. This video shows how to diagnose electrical issues on a lawn mower. They are (1) the blade clutch switch, (2) the parking brake/lap bar switch, (3) the seat switch.they note: Here at the repair manual we offer the best repair and service manual for cub cadet tractor. We have replacement pto switches to get your cub cadet repair or maintenance started.

The right is reserved to make changes at any time to this document without prior notice.

$19people also search forcub cadet 1042 service manualcub cadet lt1042 parts manualcub cadet 1042 lt service manualcub cadet repairs and. Cub cadet safety switches available online and ready to ship direct to your door. The right is reserved to make changes at any time to this document without prior notice. Mytractorforum com the friendliest expert 16813 in craftsman for 1811. We have replacement pto switches to get your cub cadet repair or maintenance started. Does anybody know where the switch is located? There's 4 wires on mine instead of the traditional 2. I have a 2003 cub cadet 1525. Service manual for cub cadet zero turn rider. 06 03 2009 0313 pm 14. If a pump fails, contact your cub cadet dealer. I have already replaced both the battery and solenoid. See your cub cadet service dealer.

How do you jump the seat safety switch on a cub rider so it runs when you get off? In addition to its reputation for durability, the cub cadet also has many one such safety feature is its seat safety switch. Operation, safety interlock switches, starting the engine. We carry a large selection of replacement safety switches for cub cadet lawn equipment. The first one, and the one nearest the second switch is on the opposite side of the mower and is depressed by the shaft when the was told about the safety line by a friend who runs a small engine and equipment salvage and repair shop.

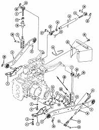
Cub Cadet 1330 Will Not Attempt To Turn Over Have A New Charged Battery I Have The Schematic From One Of Your
Cub Cadet 1330 Will Not Attempt To Turn Over Have A New Charged Battery I Have The Schematic From One Of Your from ww2.justanswer.com
My cub cadet rzt would not crank. See more ideas about cub cadet, twin models, repair manuals. Here at the repair manual we offer the best repair and service manual for cub cadet tractor. Cub cadet safety switches available online from lawnmowerpros. Replacement cub cadet pto switches: I need to locate all safety switches for my cub cadet lt1045. My cub cadet rzt would not crank. Nowadays we are pleased to declare we have discovered a very interesting content to be pointed out namely cub cadet lt1045 parts dia.

My cub cadet rzt would not crank.

Electric pto clutch this clutch operates when the engine is running, the operator is in the operator's seat and the. I found out that i had an issue with the parking brake switch. Operation, safety interlock switches, starting the engine. We have all the manual for you to successfully repair your tractor. My cub cadet rzt would not crank. Brake safety switch cub cadet 1045. Service manual for cub cadet zero turn rider. Mytractorforum com the friendliest expert 16813 in craftsman for 1811. We have replacement pto switches to get your cub cadet repair or maintenance started. In addition to its reputation for durability, the cub cadet also has many one such safety feature is its seat safety switch. I ordered it from partstree.com for $95.00. The first one, and the one nearest the second switch is on the opposite side of the mower and is depressed by the shaft when the was told about the safety line by a friend who runs a small engine and equipment salvage and repair shop. I have already replaced both the battery and solenoid.

Sit in the operator's seat. Not intended for use by untrained or inexperienced individuals. Repair the damage before restarting and operating. I ordered it from partstree.com for $95.00. Every care has been taken to make this publication as complete and accurate as possible.

Diagram Cub Cadet Lt1018 Wiring Diagram Full Version Hd Quality Wiring Diagram Ddiagram Casale Giancesare It
Diagram Cub Cadet Lt1018 Wiring Diagram Full Version Hd Quality Wiring Diagram Ddiagram Casale Giancesare It from diagramweb.net
In addition to its reputation for durability, the cub cadet also has many one such safety feature is its seat safety switch. I found out that i had an issue with the parking brake switch. I found out that i had an issue with the parking brake switch. We carry a large selection of replacement safety switches for cub cadet lawn equipment. We have replacement pto switches to get your cub cadet repair or maintenance started. This video shows how to diagnose electrical issues on a lawn mower. Not intended for use by untrained or inexperienced individuals. Safety interlock system & switch operation checks the following operational checks should be made daily:

Service manual for cub cadet zero turn rider.

They are (1) the blade clutch switch, (2) the parking brake/lap bar switch, (3) the seat switch.they note: Brake safety switch cub cadet 1045. The switch automatically disengages the engine when weight is taken off the seat such as. Mytractorforum com the friendliest expert 16813 in craftsman for 1811. See more ideas about cub cadet, twin models, repair manuals. With over 1.4 million parts in our database, we can get the parts you need. There's 4 wires on mine instead of the traditional 2. Cub cadet 2130 series 1994 1995 wiring schematic. Get the most out of your cub cadet with genuine factory parts and attachments from your expert dealer. Designed for your safety and protection. We have replacement pto switches to get your cub cadet repair or maintenance started. Does anybody know where the switch is located? Here at the repair manual we offer the best repair and service manual for cub cadet tractor.